DIN93-單耳止動墊圈標準查詢

        DIN 93

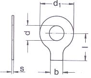
        *All measurements in millimeters (mm)*

        d used for d1 b l s
        3.2 M3 12 4 13 0.38
        4.3 M4 14 5 14 0.38
        5.3 M5 17 6 16 0.5
        6.4 M6 19 7 18 0.5
        8.4 M8 22 8 20 0.75
        10.5 M10 26 10 22 0.75
        13 M12 30 12 28 1
        15 M14 33 12 28 1
        17 M16 36 15 32 1
        19 M18 40 18 36 1
        21 M20 42 18 36 1
        23 M22 50 20 42 1
        25 M24 50 20 42 1
        28 M27 58 23 48 1.6
        31 M30 63 26 52 1.6
        34 M33 68 28 56 1.6
        37 M36 75 30 60 1.6
        40 M39 82 32 64 1.6
        43 M42 88 35 70 1.6
        50 M48 100 40 80 1.6
        54 M52 105 44 85 1.6

        All information is strictly informative